Since 1958,
Dunham Tool has designed and manufactured innovative, high quality and high accuracy workholding, toolholding and spindle solutions for manufacturing industries worldwide.
|
|
Dunham Bar Pull Systems Inch and Metric Sizes up to 3" Diameter
|
Dunham Tool has further expanded its line of Bar Stock Pulling Bar Pull Systems to include select additional Inch and Metric sizes for use on CNC Lathes. Please see size charts below.
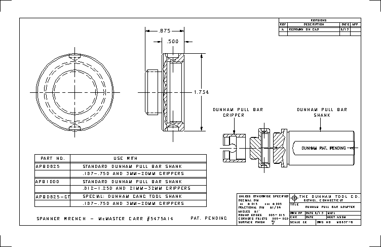
The Dunham Bar Pull metric sizes include a Dunham 25mm diameter Bar Pull Shank that mounts into a standard 25mm Boring Tool Holder.
|
| | Bar Pull Gripper, Adapter and Shank |
The metric Dunham Bar Pull Grippers now include grippers for bar stock sizes ranging from 3mm to 34 mm diameters in 1mm increments. These grippers mount directly to Dunham Bar Pull Adapters or Bar Pull Shanks. Please see size charts below.
The Dunham Bar Pull Gripper inch sizes include 1/16 inch increments from 1/8" to 2"diameters, and 1/8" increments from 2 1/8" to 3" diameters. Therefore the complete range of inch Dunham Bar Pull Grippers ranges from 1/8" to 3" diameters. All Dunham Bar Pull System components are available individually or in a variety of kits, and are available from stock.
The lightweight and self-activating Dunham Bar Pull System has no moving parts, mounts in 60 seconds (with Dunham Gripper changeover in about 30 seconds), and does not interfere with other tools on the machine Turret or Gang Tool Table.
|
| | Dunham Bar Pull Kit (Dunham Shank Additional) | Requiring only 1/4" of bar stock engagement, the Dunham Bar Pull System pull positions the bar stock within 0.001". |
|
Dunham Bar Pull Systems are one of a wide range of Dunham workholding and spindle devices: 50M Spindle Headstocks, Collet Chucks, Collet and Chuck Actuators and Cylinders, Machinable Expanding Mandrels, Expanding Collets, Bar Puller Systems, as well as 5C, 16C and 3J 'Plug and Play' Collet Chucking Systems for all Lathes, Rotary Tables, Grinding Machines and Special Machines, Thru Hole and No Thru Hole Kits available.
|
|
|
|
|
|
| |
Dunham Bar Pull System;
1/8"-3" Bar Stock
|
|
 | |
Dunham Expanding Collet;
5C, 16C, 3J
|
|
|
| |
Dunham 50M Spindle Headstock; 5C, 2J
|
|
|
| |
Dunham Collet Chuck;
5C, 16C, 3J
|
|
|
| |
Dunham Air Collet Closer;
5C, 16C, 3J
|
|
|
| |
Dunham Cartridge Spindle Headstock; 5C, 16C, 3J
|
|
|
| |
Dunham Cartridge Spindle Assembly; 5C, 16C, 3J
|
|
|
The Dunham Bar Pull Systems
are one of a wide range of Dunham workholding and spindle solutions:
50M Precision Spindles:
5C, 16C, 3J Cartridge Spindles:
Collet/Chuck Actuators/Cylinders: 5C, 16C, 3J Expanding Collets:
Bar Pull Systems:
1/8" to 3" Bar Stock Applications
5C, 16C, and 3J
'Plug and Play'
Collet Chucking Systems for all Lathes, Rotary Tables, Grinding Machines and Special Machines:
Thru Hole and
No Thru Hole Kits available:
|
|